제품 브이디에스(주)

AMR·AGV용감속기 가반하중 1000-1500kg

본문

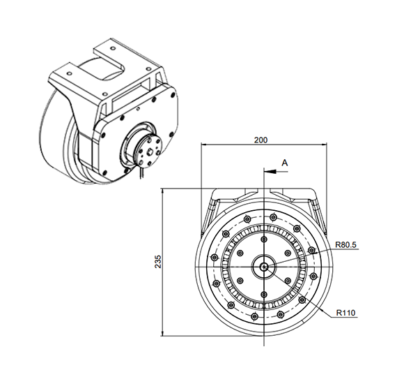
물류 AGV 및 이동 로봇을 위한
In-Wheel 일체형 구동 모듈

Metalrota 호환
  • 구동부 특징

  • • In Wheel Type 구동모듈
    • 휠 : 220 Φ
    • 감속비 : 24:1, 정격 속도 : 1.2m/s
    • 컴팩트 사이즈 및 경량화
    • Metalrota(이태리) 와 동일한 마운팅
    • 내구성 향상 및 지지하중 증대

  • 기어구조특징

  • • 2열 유성기어 1개, 2개 (가반하중 별 개별 적용 가능)
    • 지지 베이링 2개 (내구수명 증대)
    • 마운팅 브라켓 선택 (수평형, 수직형)
    • 고효율 (93%)

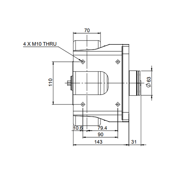
상세정보

구성품 구분 사양
모터 정격토크 3.0 Nm/3,000rpm
고정자 사이즈 76x47x60
타입 Frameless motor
효율 88%
기어 모듈 사이즈 1.5
감속비 24:1
효율 93%
구동모듈 정격 휠 토크 66Nm
V최대속도 1.46m/s
최대 휠 하중 600kg/WHL
휠 사이즈 Ø220
마운트 TOP 마운트
무게 23Kg
브레이크 여자식 전자브레이크 5Nm